Tilaukset Suomi toimitetaan tyypillisesti 48 tunnin sisällä paikasta riippuen.
Ilmainen toimitus Suomi kun tilauksen arvo on $60 USD tai enemmän. Jos tilauksen arvo on alle $60 USD, siitä periään toimitusmaksu $22 USD.
Ennakkomaksettu UPS-rahti: DDP (DigiKey maksaa tullimaksut)
Ennakkomaksettu FedEx- tai DHL-rahti: CPT (tullimaksut ja arvonlisävero maksettava toimitushetkellä)
Luottotili hyväksytyille instituutioille ja yrityksille
Etukäteismaksu pankkisiirrolla
Lisää tuotteita täysin valtuutetuilta kumppaneilta
Tuote lähetetään keskimäärin 1–3 päivän sisällä ja lähetyksestä saattaa syntyä lisätoimituskuluja. Katso tuotesivulta, ostoskorista ja maksuprosessista kauanko toimitus tulee oikeasti kestämään.
Incoterms: CPT (tullimaksut ja toimitushetkellä maksettava mahdollinen ALV/vero)
Katso lisätietoja linkistä Apu & tuki
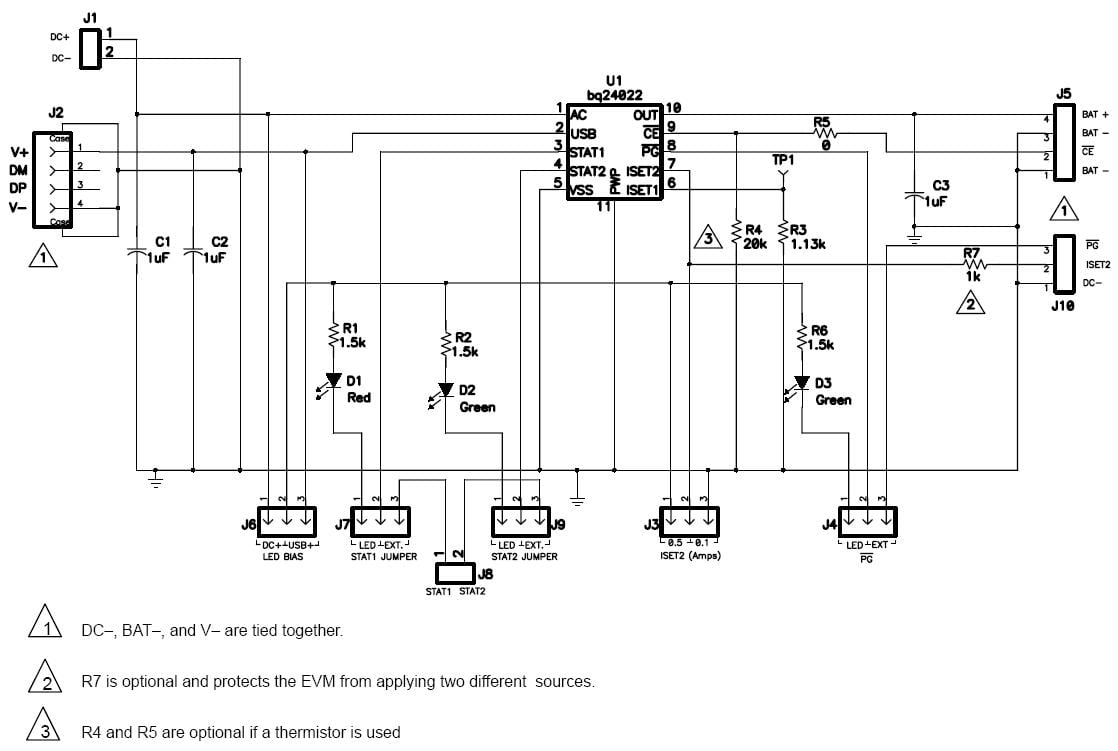
Manufacturer | Texas Instruments |
---|---|
Category | Power Management |
Sub-Category | Battery Chargers |
Eval Board Part Number | 296-18393-ND |
Eval Board Supplier | Texas Instruments |
Eval Board |
Board not Stocked
|
Cell Type |
Lithium Ion, Li-Ion
Lithium Polymer, Li-Pol |
Configuration |
1 Cell
|
Voltage In |
5 V
|
Voltage Out |
4.2 V
|
Current Out |
500mA, 200mA
|
Features |
Auto Off
Cell Preconditioning Status Indication Thermal Protection |
Quiescent Current [Typical] |
1.2 mA
|
Sleep Mode Current [Typical] | |
Component Count + Extras |
14 + 10
|
Application / Target Market |
Audio: MP3 Players
Digital Cameras USB Powered Devices |
Design Author |
Texas Instruments
|
Main I.C. Base Part |
BQ24022
|
Quiescent Current [Maximum] |
2 mA
|
Sleep Mode Current [Maximum] |
5 µA
|
Date Created By Author | |
Date Added To Library | 2025-10 |
TechForumilta saat DigiKeyn teknikoilta ja kokeneilta insinööreiltä nopeat ja tarkat vastaukset kysymyksiisi.
Verkkosivustomme asiakastuesta löydät tietoa tilaamisesta, toimituksesta, toimituksesta jne.
Rekisteröityneet käyttäjät voivat seurata tilauksiaan käyttämällä tilinsä alasvetovalikkoa tai klikkaamalla tästä. *Tilauksen tilan päivittyminen voi kestää 12 tuntia tilauksen tekemisestä.
Käyttäjät voivat aloittaa palautusprosessin palautussivultamme.
Rekisteröityneet käyttäjät voivat tehdä tarjouksia myLists-työkalussa.
Avaa rekisteröintisivu ja syötä tarvittavat tiedot. Saat sähköpostivahvistuksen, kun rekisteröintisi on valmis.
Tilaukset Suomi toimitetaan tyypillisesti 48 tunnin sisällä paikasta riippuen.
Ilmainen toimitus Suomi kun tilauksen arvo on $60 USD tai enemmän. Jos tilauksen arvo on alle $60 USD, siitä periään toimitusmaksu $22 USD.
Ennakkomaksettu UPS-rahti: DDP (DigiKey maksaa tullimaksut)
Ennakkomaksettu FedEx- tai DHL-rahti: CPT (tullimaksut ja arvonlisävero maksettava toimitushetkellä)
Luottotili hyväksytyille instituutioille ja yrityksille
Etukäteismaksu pankkisiirrolla
Lisää tuotteita täysin valtuutetuilta kumppaneilta
Tuote lähetetään keskimäärin 1–3 päivän sisällä ja lähetyksestä saattaa syntyä lisätoimituskuluja. Katso tuotesivulta, ostoskorista ja maksuprosessista kauanko toimitus tulee oikeasti kestämään.
Incoterms: CPT (tullimaksut ja toimitushetkellä maksettava mahdollinen ALV/vero)
Katso lisätietoja linkistä Apu & tuki
Kiitos!
Seuraa sähköpostiasi, saat uutisia ja päivityksiä DigiKeyltä.
Please enter an email address