Käytä pehmokäynnistinyksiköitä moottorien käynnistys- ja tietoturvaongelmien ratkaisuun
Julkaisija DigiKeyn kirjoittajat Pohjois-Amerikassa
2024-03-21
Asynkroniset kolmivaihemoottorit, jotka käyttävät AC-verkkovirtaa ja joiden teholuokitus on kymmenistä satoihin hevosvoimiin (HP), pyörittävät monia kaupallisia ja teollisia sovelluksia. Moottoreiden ohjausvirrat vaihtelevat niissä tyypillisesti noin 10 ampeerista (A) yli 1000 ampeeriin ja niiden jännitteet vaihtelevat hieman yli 200 voltista AC (VAC) jopa 700 VAC saakka. Suunnittelijoiden ongelmana on, että ne käyttävät korkeita käynnistysvirtoja, jotka voivat vahingoittaa moottoria ja vaikuttaa kuormitukseen.
AC-verkon ja moottorin välissä oleva pehmeän käynnistyksen ohjausyksikkö ohjaa tätä käynnistysvirtaa ohjaamalla moottorin käynnistyskiihtyvyyttä ja vääntömomenttia. Se optimoi moottorin suorituskyvyn ja minimoi ei-toivotut vaikutukset. Kehittyneemmät pehmokäynnistimet sisältävät enemmän sofistikoituneita ominaisuuksia suorituskyvyn maksimoimiseksi, sähkö- ja lämpösuojauksen mahdollistamiseksi, ne tarjoavat vankan valikoiman liitäntävaihtoehtoja ja suojaavat kyberhyökkäyksiltä.
Tässä artikkelissa esitellään pehmokäynnistimen toimintoja. Sen jälkeen siinä kerrotaan ja näytetään, miten Schneider Electricin Altivar-pehmokäynnistimien ATS480 ohjausyksiköitä voidaan käyttää.
Pehmokäynnistinten tehtävä
Pehmokäynnistintä käytetään vähentämään moottorin käynnistysvirtaa ja ohjaamaan vääntömomenttia käynnistyksessä muutosvaiheen aikana. Se nostaa moottoriin syötettävää jännitettä asteittain aikaansaaden tasaisen kiihtyvyyden minimaalisella nykäyksellä (kiihtyvyyden muutosnopeus).
Käynnistimet tarjoavat yleensä mahdollisuuden käynnistysmomentin ja kiihdytysajan säätöön erilaisten käyttökohteiden mukaisesti. Ne voivat vähentää käynnistysvirtaa merkittävästi lähtömomentin saavuttamiseksi ja rajoittaa virtaa kiihdytyksen aikana.
Uudemmat pehmokäynnistimet tarjoavat lisäominaisuuksia, jotka parantavat hyötysuhdetta, ylläpitävät korkeaa tehokerrointa (PF) dynaamisen PF-korjauksen avulla, parantavat sähköturvallisuutta, tunnistavat verkon ja moottorin poikkeavuudet, tarjoavat verkkoyhteyden ja ratkaisevat tietoturvaongelmat.
Esimerkki uusimman sukupolven pehmokäynnistimien tarjoamista mahdollisuuksista ja ominaisuuksista on Schneider Electricin Altivar-pehmokäynnistinsarja ATS480 (kuva 1).
Kuva 1: Altivar-pehmokäynnistinsarja ATS480 laajentaa ydintoimintaa monilla edistyneillä ominaisuuksilla. (Kuvan lähde: Schneider Electric)
Nämä yksiköt sisältävät kuusi tyristoria ja vääntömomentin ohjausalgoritmin kolmivaiheisten häkkikäämittyjen asynkronimoottoreiden kiihdytyksen, hidastuksen ja pysäytyksen ohjaukseen aina 900 kilowattiin (kW) asti. Tämän sarjan laaja mallivalikoima tukee käyttöjännitteitä 208–690 volttia ja virtoja 17–1200 A. Kaikki yksiköt täyttävät maailmanlaajuiset standardit, sertifioinnit ja viranomaismääräykset, jotka määrittelevät suorituskyvyn, turvallisuuden, hyötysuhteen, sähkömagneettisen yhteensopivuuden (EMC), likaantumisasteen sekä isku- ja tärinäominaisuudet.
ATS480-yksiköt tarjoavat useita erityyppisiä verkko-, käynnistin- ja kuormitussuojauksia, esimerkiksi:
- vaihevirhe (verkko)
- integroitu lämpösuojaus (moottori)
- lämpösuojaus (käynnistin)
- virtaylikuormitus (moottori)
- alikuormitus (moottori)
- liian pitkä käynnistymisaika, lukkiutunut roottori (moottori)
- moottorin vaihehäviö (moottori)
- verkkovirran vaihehäviö (verkko, moottori)
- lämpösuojaus (moottori) suoralla liitännällä positiivisen lämpötilakertoimen (PTC) termistoriin tai platinasta valmistettuun 2- tai 3-johtimen vastuslämpötila-anturiin (RTD) PT100.
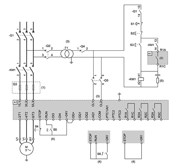
Kohdesovellusten erilaisiin tarpeisiin on tarjolla monia piiriliitäntämahdollisuuksia. Esimerkiksi yksi peruskokoonpano on tarkoitettu paikallisohjaukseen, kun halutaan, että uudelleenkäynnistys virheen nollauksen jälkeen on suoritettava manuaalisesti, vaikka konfiguraatiossa muutoin käytettäisiinkin kauko-ohjausta (kuva 2). Tässä tapauksessa käyttäjä painaa uudelleenkäynnistystä varten S3-painiketta.
Kuva 2: Kuvassa on yksi pehmokäynnistimen monista johdotusvaihtoehdoista. Käyttäjän täytyy aktivoida uudelleenkäynnistys virheen nollauksen jälkeen manuaalisesti S3-painiketta painamalla. (Kuvan lähde: Schneider Electric)
Komponenttien erityisnimitykset on määritelty taulukossa 1.
Taulukko 1: Näyttää kuvan 2 komponenttien nimitykset. (Kuvan lähde: Schneider Electric)
ATS480-yksiköissä on myös erilliset normaalisti avoimet (NO) ja normaalisti suljetut (NC) sähkömekaaniset relekoskettimet, jotka on luokiteltu arvoille 2 A/250 VAC, sekä 30 voltin digitaaliset avoimen kollektorin lähdöt. Nämä koskettimet ja lähdöt helpottavat lisäominaisuuksien toteutusta, esimerkkinä merkkivalot ja lisälaitteet.
Liitettävyys ja tietoturva
Kaikki ATS480-yksiköt tukevat edistyneiden pehmokäynnistystoimintojen lisäksi lukuisia liitäntävaihtoehtoja. Jokaiseen ATS480-yksikköön kuuluu kaksi RJ45-porttia konfigurointi- ja laiteohjelmistopäivityksiä sekä ulkoisen tekstimuotoisen tai grafiikkanäytön liittämistä varten. Jokaisessa yksikössä on myös yksi liitäntäpaikka ylimääräiselle kommunikaatiomoduulille, joka tukee Modbus TCP-, Ethernet/IP-, CANopen-, PROFINET- tai PROFIBUS DP -muotoja.
Nämä liitännät tuovat väistämättä mukanaan tietoturvaongelmia. Näiden ongelmien ratkaisemiseksi sarjan laitteissa on käytetty tietoturvan ”parhaita käytäntöjä”, jotka suojaavat sekä tahalliselta vahingonteolta (hakkerointi) että henkilöstön tai alihankkijoiden hyvää tarkoittavilta mutta huolimattomilta toimilta. Näihin suojauksiin kuuluvat tilienhallinta, mukaan lukien käyttäjien todennus ja valtuutus, sekä monikerroksinen salasanasuojaus. Eri porteille, toiminnoille ja lähteille on myös tarkoituksellisia rajoituksia.
Korkeampi suojaustaso sisältää perusteelliset, ennakoivat suojaukset tietoturvaan liittyvien tapahtumien, kuten yksityiskohtaisten aika- ja käyttäjäleimalla varustettujen toimintalokien hallintaan. Asennettavan laiteohjelmiston ja päivitysten aitoutta parannetaan digitaalisesti allekirjoitetulla laiteohjelmistolla ja salausavaimilla. Näin varmistetaan, että jokaisella käynnistyskerralla käytetään validia laiteohjelmistoa.
Laite tarjoaa myös ihmisen ja koneen välisen käyttöliittymän
Kattavien liitäntämahdollisuuksien lisäksi monissa pehmokäynnistysjärjestelmissä tarvitaan myös välitöntä ja suoraa käyttömahdollisuutta. Tällaisessa käyttömallissa on ensiksikin perustoiminnot KÄYNNISTYS ja PYSÄYTYS. Ne aktivoidaan erillisillä, hyvin näkyvillä ja selvästi merkityillä kytkimillä, jotka sijaitsevat moottorissa tai asennuskohteessa tai niiden lähellä. Nämä ovat usein lakisääteisten turvallisuusstandardien sanelemia.
ATS480-yksiköt täyttävät nämä vaatimukset tarjoamalla mahdollisuuden johdottaa ne kahdella erillisellä käynnistys- ja pysäytyskytkimellä tai yhdellä ainoalla käynnistys- ja pysäytyskytkimellä (kuva 3).
Kuva 3: Pehmokäynnistin voidaan johdottaa käyttämään kahta erillistä pysäytys- ja käynnistyspainiketta tai yhtä kaksitoimista kytkintä. (Kuvan lähde: Schneider Electric)
Suunnittelijat voivat käyttää perusasennukseen, käyttöön ja tietojen saantiin kahdeksanrivistä tekstimuotoista VW3A1113-näyttöä (kuva 4). Käytettävissä olevan RJ45-liittimen avulla tämä näyttöpääte voidaan kytkeä ja asentaa pehmokäynnistimen etupuolelle tai se voidaan asentaa kotelon oveen etäasennusvarusteiden avulla.
Kuva 4: Tekstimuotoinen VW3A1113-näyttö kytketään pehmokäynnistimeen laitteen mukana toimitetulla RJ45-liittimellä, ja se tukee perusasennus-, käyttö- ja kyselytoimintoja. (Kuvan lähde: Schneider Electric)
Tämä monikielinen yksikkö (englanti, ranska, espanja, italia, saksa ja kiina, muut kielet ladattavissa) vaatii kirjautumiseen salasanan. Tämä parantaa järjestelmän tietoturvaa. Kun laite on kytketty, sitä voidaan käyttää seuraaviin tarkoituksiin:
- pehmokäynnistimen ohjaus, säätö ja konfigurointi
- moottorin, tulon/lähdön ja konetietojen senhetkisten arvojen näyttö
- konfiguraatioiden tallennus ja lataus
- yhden käynnistetyn pehmokäynnistimen konfiguraation kopiointi toiseen käynnistettyyn pehmokäynnistimeen.
Edistyneempään diagnostiikkaan, ohjaukseen, valvontaan ja tiedostonhallintaan voidaan käyttää Schneiderin Device Type Manager- (DTM) ja SoMove-ohjelmistoja PC-pohjaisella grafiikkanäytöllä.
Teholuokitus määrää pakkauksen ja koon
Vaikka Altivar-pehmokäynnistinsarjan ATS480 yksiköt tarjoavat samat toiminnot, ominaisuudet, käyttöliittymät ja liitäntävaihtoehdot, ne eroavat toisistaan käyttötehon osalta. Tämä määrää sopivan kotelon ja koon, mikä käy helposti ilmi tarkasteltaessa sarjan pienitehoisinta ja korkeatehoisinta laitetta.
Pehmokäynnistin ATS480D17Y (kuva 5, vasemmalla) on luokiteltu AC-kolmivaihemoottoreiden syöttöön ja ohjaukseen 17 ampeerin virralla jännitealueella 208–690 VAC, ja se toimii ohjausjännitteellä 110–230 VAC. Sen korkeus on 275 millimetriä (mm), leveys 160 mm, syvyys 8 mm ja se painaa vajaat 5 kilogrammaa (kg).
Kuva 5: Altivar-pehmokäynnistinsarjan ATS480 pienin (vasemmalla) ja suurin (oikealla) yksikkö ovat toiminnallisesti samankaltaisia, mutta niiden virtaluokitukset ja painospesifikaatiot poikkeavat suuresti toisistaan. (Kuvan lähde: Schneider Electric)
Sitä vastoin pehmokäynnistin ATS480M12Y (kuva 5, oikealla) on luokiteltu paljon korkeammalle 1200 ampeerin virralle jännitealueella 208–690 VAC, ja se toimii ohjausjännitteellä 110–230 VAC. Vaikka sen ominaisuudet ja toiminnot ovat lähes identtiset 17 ampeerin yksikön kanssa, se on huomattavasti suurempi: sen korkeus on 890 mm, leveys 770 mm, syvyys 329 mm ja paino 115 kg.
Yhteenveto
Pehmokäynnistimet ovat tärkeä linkki monivaiheisen AC-verkon ja keskisuurten ja suurten AC-kolmivaihemoottoreiden välillä, joiden käynnistysvirtaa ne ohjaavat. Schneider Electricin Altivar-pehmokäynnistinsarja ATS480 tukee tehoalueen 17–1200 A moottoreita sekä tarjoaa kattavat verkkoyhteydet ja parannetun tietoturvan. Pehmokäynnistimet tarjoavat myös erilaisia toimintoja suorituskyvyn, tietoturvan ja luotettavuuden parantamiseksi.
Disclaimer: The opinions, beliefs, and viewpoints expressed by the various authors and/or forum participants on this website do not necessarily reflect the opinions, beliefs, and viewpoints of DigiKey or official policies of DigiKey.




