IGW30N60H3 Datasheet by Infineon Technologies
(in/frineon
(ifleon
33>
0
«13’
6' Green
@ Halogen-Free
ngoHS
(ifileon
(imeon
(imeon
(imeon
Infineon
0/
(ifleon
(ifleon
(imeon
\\_
(imeon
infineon
2P
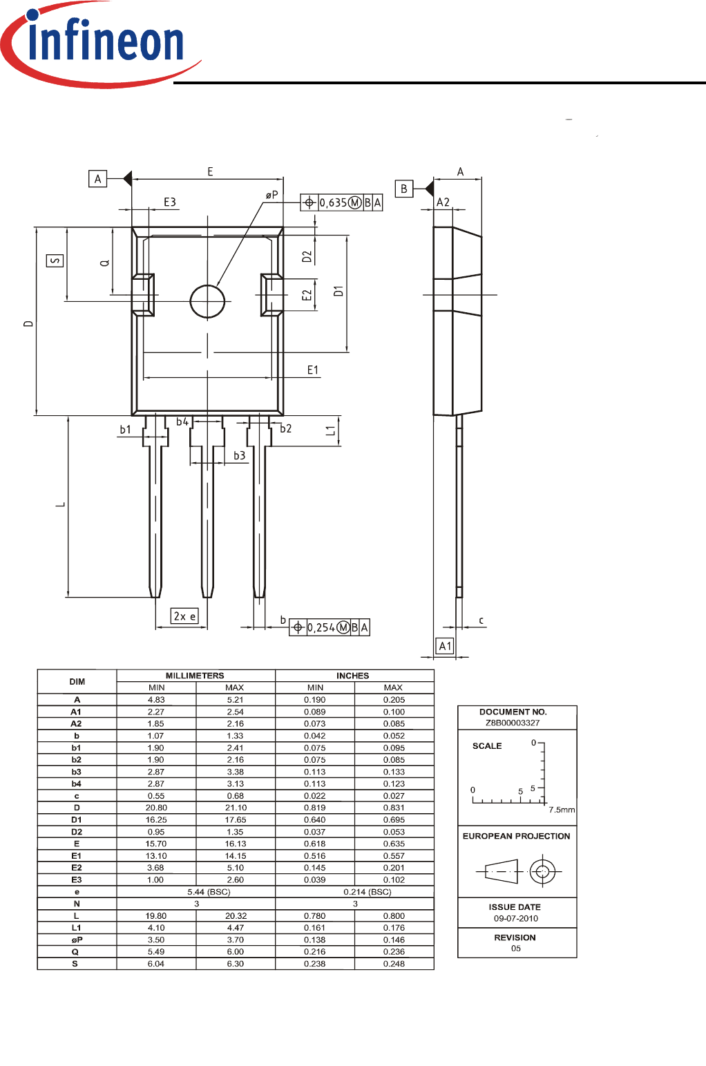
E3 44> o 535® a A A2
a E
E: '
F a E
e
E1
b4
b1 b2 3
I73
J
um wumsms mass
111». MAX 11111 W
A m 5 21 0190 0205
A1 2 27 2 51 0089 0 11m uucumsm w.
AZ 1 as 215 o 073 o 035 72511111103377
h 1 m 1 33 am 0052 D
b1 1 90 2 41 o m o m SCALE
1,2 1 90 2 1s om om
m 2 m 3 38 n 113 0133
M 2 37 313 011: a 123 a 5
c 11 55 a 53 m2 .1 027 1 f
u zuan 211a am 11331 35,1,"
D1 1523 1153 06110 0695
"2 u 95 ‘ 35 D “37 U ”53 EUROPEAN FROJECHDN
2 1570 12.1: 0518 11535
E1 1310 1115 051:, 0557
:2 333 511: 0145 o 2:11 6
a: 1 on 2 so 0039 a 102
. SM 155;; u 21. 1am
N 3 3 1ssuE nus
L 20 :2 o 730 0 am) 0907,2010
m m 0161 a 175
up 3 70 01:18 a 145 REVISION
0 6 00 D 216 a 236 m
s a :w 0238 0 21a
infineon
V if!) LV
fi 90% vGE
m/ar
/
I.
\ .
l
\ sun/i 1E 90% [c
10% ’c ”"4 ’c Figure C. Defin n of diodes switching
characteristics
1 ,2 h
H r2 V n
T (l)
. ”(0 r1 r2 rn
1 l - r 1 ‘,_
Figure A. Definition 07 switching times Tc
/7\
fl m v5:
Figure D. Thermal equivalent circuit
mi
Figure E. Dynamic test circuil
Parasltlc induciance L...
Parasitic capacitor C” ,
Relief capacitor C,
(only for ZVT swlichlng)
'2
5”,: / rut/Cm EM: 1 Wm
l
' ure B. Defi ' '
n of switching losses
(ifileon

