Mounting Ogtion Contact Detail
é.400[162.56]
5.846[148.49]
5.7oo[144.7e]
0.100[2.54]
Cord 31m Accems
— ,054[1,3711o.070[1.7e1
Th1ck PC. Board
«A
Egg
[1 1]
[1
le—P
é.122[155.50]
EEEE
6.122
155.50
0.590 14.99
0.270
6.86
A
A
5.846
148.49
5.700
144.78
0.370
9.40
Thick P.C. Board
Card Slot Accepts
.054 [1.37] to .070 [1.78]
6.400
162.56
0.100
2.54
0.410 10.41
SECTION A-A
ACAD REFERENCE NO.
TORONTO, ONTARIO
YOUR CONNECTION TO QUALITY & SERVICE
EDAC INC
CANADA
CHECKED:
THESE DRAWINGS AND SPECIFICATIONS
ARE THE PROPERTY OF EDAC INC.,AND
SHALL NOT BE REPRODUCED,OR COPIED
OR USED AS THE BASIS FOR THE
MANUFACTURE OR SALE OF APPARATUS
WITHOUT WRITTEN PERMISSION.
SCALE:
DRAWING NUMBER
DRAWN:
DATE:
ISSUE
SHEET
DATE:
ISSUE NUMBER
ORIGINAL
1
THIS IS A C.A.D. GENERATED DRAWING
DO NOT MAKE MANUAL REVISIONS TO MASTER.
342 / 392 Card Edge Connector
Part Number: 342-056-520-112
342 ENG MASTER
342 Assembly
1
OF
3
1
J.LEE
OCT. 06/09
NTS
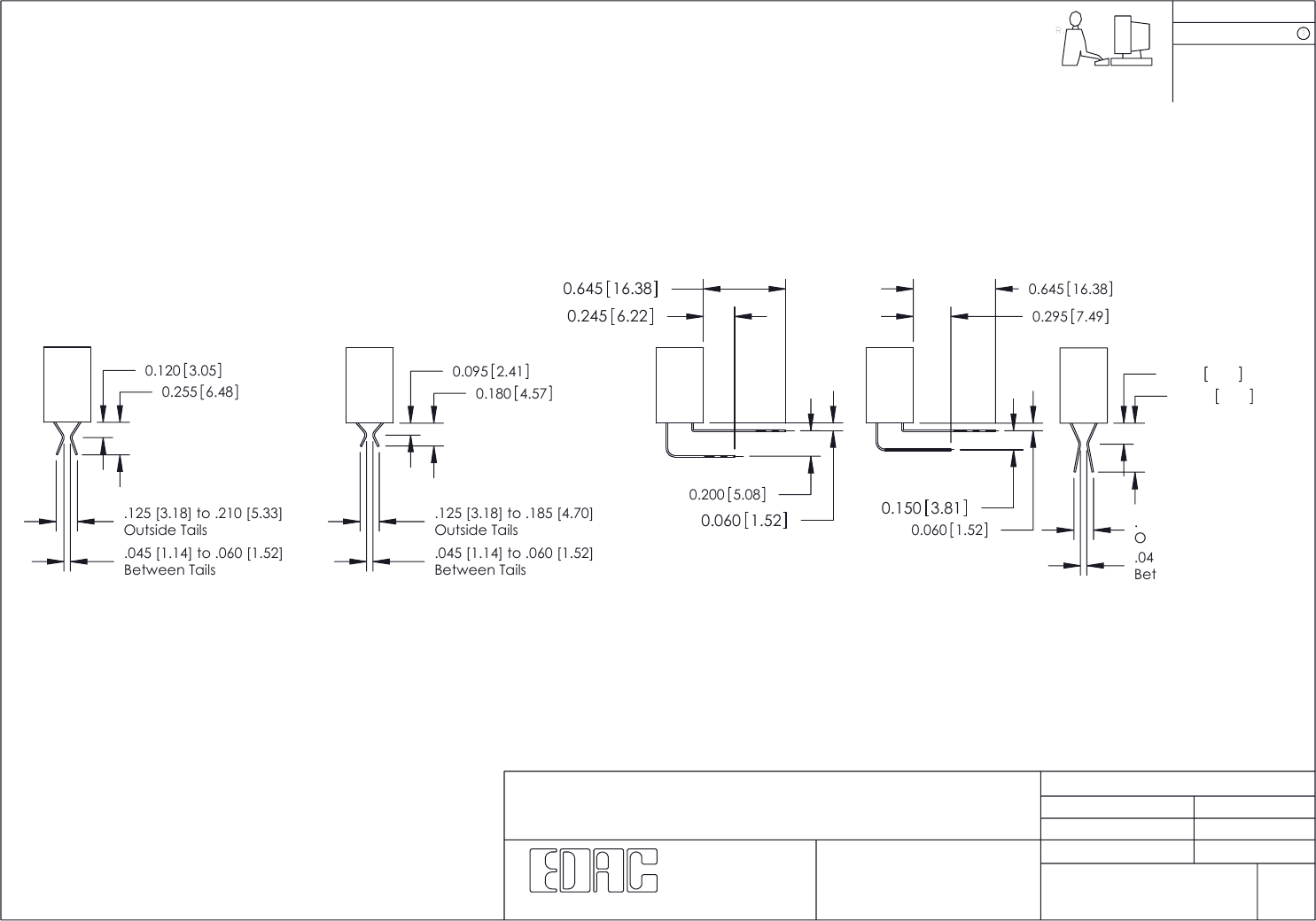
Contact Detail
520-P.C. Tail .030x.018(0.76x0.46) - Tail LG=.185(4.70)
Mounting Option
12-.128 (3.25) Dia. Side Mounting Holes
See Accompanying Pages for:
Contact Bend Details
•
Mounting Options
•
.100 [2.54] Contact Spacing x .200 [5.08] Row Spacing
lg
7 0.120[3.05]
‘7 0.255 [5.48]
.12513,18]1o.210[5.331
0mm Tails
.04511141100501152]
aevween 1011s
0.545 [ 1 6.38]
0.245 [5.22]
7 0.095 [2.41]
‘ 0.545[15.3a]
0.295 [7.49]
+7 0.180[4.57]
12513181101851410]
Omside Tails
.045 [1141100501152]
Befiween Tails
0.200 [5.08] 7
0.050 [1.52] 7
L__
0.150[3.81] 7
0.050[1.52] 7
EEEE
Between Tails
.045 [1.14] to .060 [1.52]
0.255
6.48
0.120
3.05
Between Tails
.045 [1.14] to .060 [1.52]
0.095
2.41
0.180
4.57
0.385
9.78
0.165
4.19
0.200
5.08
0.060
1.52
0.645 16.38
0.295
7.49
0.150
3.81
0.645 16.38
0.245
6.22
0.060
1.52
Outside Tails
.125 [3.18] to .210 [5.33]
Outside Tails
.125 [3.18] to .185 [4.70]
Between Tails
.045 [1.14] to .060 [1.52]
Outside Tails
.125 [3.18] to .210 [5.33]
558 Contact Code 559 Contact Code555 Contact Code 556 Contact Code 560 Contact Code
ACAD REFERENCE NO.
TORONTO, ONTARIO
YOUR CONNECTION TO QUALITY & SERVICE
EDAC INC
CANADA
CHECKED:
THESE DRAWINGS AND SPECIFICATIONS
ARE THE PROPERTY OF EDAC INC.,AND
SHALL NOT BE REPRODUCED,OR COPIED
OR USED AS THE BASIS FOR THE
MANUFACTURE OR SALE OF APPARATUS
WITHOUT WRITTEN PERMISSION.
SCALE:
DRAWING NUMBER
DRAWN:
DATE:
ISSUE
SHEET
DATE:
ISSUE NUMBER
ORIGINAL
1
THIS IS A C.A.D. GENERATED DRAWING
DO NOT MAKE MANUAL REVISIONS TO MASTER.
342 / 392 Series Card Edge Connector
342 ENG MASTER
342 Assembly
2
OF
3
1
J.LEE
OCT. 06/09
NTS
Contact Bend Detail
o l mm 95] x D
Homing Eye‘els
<— 0250” 35] Du:
mm 96 Du:
Through o‘es
M370 5 Meme
Wedded \nserr
#440 UNC
Threaded ‘HSEH
EEEE
0.250
Dia.
6.35
0.116
I.D.
2.95
Floating Eyelets
0.348 8.84
0.005 0.13
0.135 3.43
Through Holes
.128 [3.25] Dia
Code x01 Code x02
.128 [3.25] x
.146 [3.71] Slot
Code x03 Code x04
.156 [3.96] Dia
Through Holes
.010 [0.25]
Radial Float
Code x07 Code x08
M3-0.5 Metric
Threaded Insert
#4-40 UNC
Threaded Insert
Code x12
ACAD REFERENCE NO.
TORONTO, ONTARIO
YOUR CONNECTION TO QUALITY & SERVICE
EDAC INC
CANADA
CHECKED:
THESE DRAWINGS AND SPECIFICATIONS
ARE THE PROPERTY OF EDAC INC.,AND
SHALL NOT BE REPRODUCED,OR COPIED
OR USED AS THE BASIS FOR THE
MANUFACTURE OR SALE OF APPARATUS
WITHOUT WRITTEN PERMISSION.
SCALE:
DRAWING NUMBER
DRAWN:
DATE:
ISSUE
SHEET
DATE:
ISSUE NUMBER
ORIGINAL
1
THIS IS A C.A.D. GENERATED DRAWING
DO NOT MAKE MANUAL REVISIONS TO MASTER.
342 / 392 Card Edge Connector 342 ENG MASTER
342 Assembly
3
OF
3
1
J.LEE
OCT. 06/09
NTS
Mounting Options